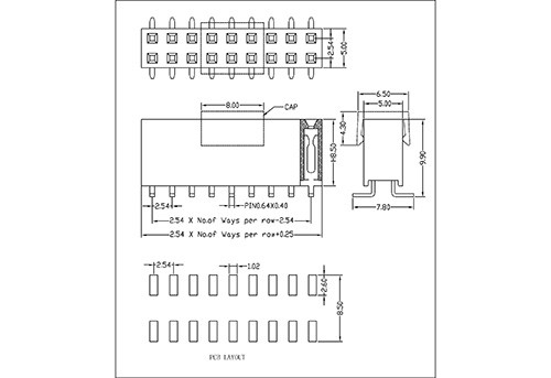
2,54 mm vrouwelijke kop dubbele rij SMT TypeH8.5
Productkenmerken FHEM14-XXX Merk: ANTENKInterface Type: AC/DCHBehuizing: Plastic Pin: MessingPolen: Overig Toepassing: Overig Certificering: Overig Geslacht: Mannelijk Materiaal: Messing Ondersteuningskaartnummer: Overig Werkfrequentie: Hoge frequentie Classificatie: Overig Leveringscapaciteit &...
Beschrijving
Productkenmerken
Modelnr.: FHEM14-XXX Merk: ANTENKInterface Type: D-SUB(VGA)Behuizing: PlasticPin: MessingPolen: 8-16Toepassing: Militaire LuchtvaartCertificatie: CEGender: VrouwelijkMateriaal: MessingOndersteuningskaartnummer: Alles in éénBedrijfsfrequentie : Hoge frequentieclassificatie: Fine Pitch Connectors
Leveringscapaciteit en aanvullende informatie
Verpakking: LADEVERPAKKING en BUISVERPAKKING Productiviteit: 100KKPCS/Maand Transport: Oceaan, Lucht, EXPRESS Plaats van herkomst: China Leveringscapaciteit: 1 Certificaat: ISO9001-2015 HS-code: 8536909000 Betalingstype: T/T, Paypal, Western Union Incoterm: FOB, EXW
Verpakking & Levering
Verkoopeenheden:
Zak/Tassen
Pakkettype:
LADE VERPAKKING en BUIS VERPAKKING:
Fabrikant: ANTENK ELECTRONICS.,CO LTD.
Hoge kwaliteit, concurrerende prijs, snelle levering, snel antwoord. CE, Rohs, Reach geslaagd.
Een vrouwelijke header is een type connector. Het is een soort universeel verbindingsapparaat dat veel wordt gebruikt in elektronica, elektrische apparaten, meterinstrumentatie, enz.
Een vrouwelijke connector is een type connector die bestaat uit een jack waarin een mannelijke connector kan worden gestoken. Het is meestal aanwezig aan het einde van een kabel of andere hardware, zodat een veilige fysieke en elektrische verbinding tussen twee of meer apparaten mogelijk wordt gemaakt. Een mannelijke connector kan worden omgezet in een vrouwelijke connector en vice versa door een tool die een geslachtswisselaar wordt genoemd.

SPECIFICATIE
Huidige beoordeling: 3.0 Amp
Isolatieweerstand: 1000M ohm min
Contactweerstand: max. 20M ohm
Diëlektrische weerstand: AC500V
Bedrijfstemperatuur: -65 graden tot plus 125 graden
Contactmateriaal: Messing
Isolatiemateriaal: PBT,UL 94V-0 Zwart
SPECIFICATIE
Huidige beoordeling: 3.0 Amp
Isolatieweerstand: 1000M ohm min
Contactweerstand: max. 20M ohm
Diëlektrische weerstand: AC500V
Bedrijfstemperatuur: -65 graden tot plus 125 graden
Contactmateriaal: Messing
Isolatiemateriaal: PBT,UL 94V-0 Zwart
ANTENK componenten bieden naast dit programma wel de mogelijkheid om pcb's in sandwich-stijl op elkaar te koppelen door middel van zogenaamde "sandwich pin headers". Deze connectoren hebben wel twee isolatorlichamen (positie van de isolator kan naar wens worden vastgezet) en worden aan beide contactuiteinden in de print gesoldeerd. Mannelijke en vrouwelijke headers zijn verkrijgbaar met rechte of haakse contacten, met SMT (surface mount technology) of met THT (trough hole technology) contactstijlen, met verschillende contactlengtes, ronde of vierkante contacten. ASSMANN WSW-componenten biedt naast het "of the shelf-programma" een voorbeeldservice, die speciaal is geïnstalleerd voor korte termijn design-ins, verzending binnen 3-5 dagen na ontvangst van de bestelling. Op de volgende pagina's wordt wel het standaard assortiment van mannelijke en vrouwelijke headers weergegeven. Daarnaast zijn er veel speciale of op maat gemaakte headers beschikbaar of kunnen deze op aanvraag worden geproduceerd.
SPECIFICATIE
Huidige beoordeling: 3.0 Amp
Isolatieweerstand: 1000M ohm min
Contactweerstand: max. 20M ohm
Diëlektrische weerstand: AC500V
Bedrijfstemperatuur: -65 graden tot plus 125 graden
Contactmateriaal: Messing
Isolatiemateriaal: PBT,UL 94V-0 Zwart
SPECIFICATIE
Huidige beoordeling: 3.0 Amp
Isolatieweerstand: 1000M ohm min
Contactweerstand: max. 20M ohm
Diëlektrische weerstand: AC500V
Bedrijfstemperatuur: -65 graden tot plus 125 graden
Contactmateriaal: Messing
Isolatiemateriaal: PBT,UL 94V-0 Zwart
SPECIFICATIE
Huidige beoordeling: 3.0 Amp
Isolatieweerstand: 1000M ohm min
Contactweerstand: max. 20M ohm
Diëlektrische weerstand: AC500V
Bedrijfstemperatuur: -65 graden tot plus 125 graden
Contactmateriaal: Messing
Isolatiemateriaal: PBT,UL 94V-0 Zwart
Vraag: Wat is uw MOQ?
A: Als we de producten op voorraad hebben, is dit geen MOQ. Als we moeten produceren, kunnen we de MOQ bespreken volgens de exacte situatie van de klant.
Vraag: Hoe lang is uw levertijd?A: De algemene levertijd is 30-45 dagen na ontvangst van uw orderbevestiging. Anther, als we de goederen op voorraad hebben, duurt het slechts 1-2 dagen. Vraag: Geeft u een monster? Het is gratis?A: Als het monster een lage waarde heeft, zullen we het gratis monster voorzien van vrachtverzameling. Maar voor sommige hoogwaardige monsters moeten we de monsterlading verzamelen.




Aanvraag sturen
Misschien vind je dit ook leuk









